Rapid Delivery for Ssaw Spiral Foroil And Gas Line Pipe - ansi b16.5 4 inch weld neck flange supplier manufacturer – TOP-METAL Detail:
Quick Details
- Size: 1/2"-60"
- Material: Carbon Steel
- Standard: ANSI
- Place of Origin: Hebei, China (Mainland)
- Model Number: Welding Neck
- Brand Name: TM
- Standard or Nonstandard: Standard
- item: ansi b16.5 4 inch weld neck flange supplier manufacturer
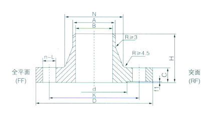
- Type: Welding neck flange(WN)
- Surface: Rust-preventative oil, Black Painted, Yellow paint.
- Pressure: 150lb,300lb,600lb,900lb,1500lb
- material: carbon steel
- standard: ANSI B16.5 ASME B16.47 SERIES A(MSS SP44)
- Processing: Forging
- Heat Treatment: Normalizing, Annealing, Quenching+Tempering
- Packing: Poly-wooden case or Pallet
- Payment: L/C ,T/T,Western Union
Packaging & Delivery
| Packaging Details | ansi b16.5 4 inch weld neck flange supplier manufacturer: In ply-wooden case or pallet with PE film. |
|---|---|
| Delivery Time | 25-30 days for 1×20' container |
ansi b16.5 4 inch weld neck flange supplier manufacturer

Product Description


|
Type |
Welding Neck (WN) |
|
Standard |
ANSI B16.5 ASME B16.47 SERIES A(MSS SP44) ASME B16.47 SERIES B(API605) |
|
Pressure |
ANSI B16.5: Class 150, 300, 600, 900, 1200 1500 2500 ASME B16.47 SERIES A(MSS SP44): Class 150, 300, 600, 900 ASME B16.47 SERIES B(API605): Class 75, 150, 300, 600, 900 |
|
Wall thickness |
STD, SCH40, XS,SCH80,SCH120,SCH160,XXS |
|
Size |
ANSI B16.5 1/2”-24” ASME B16.47 SERIES A(MSS SP44): 26”—60” ASME B16.47 SERIES B(API605): 26”—60” |
|
Material |
Carbon steel : ASTM A105,ASTM 694 F52, ASTM A350 LF1. LF2, CL1/CL2, A234, S235JRG2, P245GH P250GH, P280GHM 16MN, 20MN ,20# |
|
Stainless steel: ASTM A182 F304/304L F316/316L |
|
|
Processing |
Forging |
|
Surface |
Rust-preventative oil, Black Painted, Yellow paint. |
Prouduct Pictures










Product detail pictures:






Related Product Guide:
Tumblr’s adult-content ban could doom it with fandom communities. Notable topics Podcasts Slate Plus Slate homepage Submit search Enter query Slate homepage Open menu Close menu Notable topics Podcasts Slate Plus Slate on Instagram Slate on Twitter Slat | Alloy Steel Pipe
IRDAI fines Reliance General Insurance Rs 500,000 over motor claims payment | Carbon Steel Flange
Rapid Delivery for Ssaw Spiral Foroil And Gas Line Pipe - ansi b16.5 4 inch weld neck flange supplier manufacturer – TOP-METAL, The product will supply to all over the world, such as: , , ,
-
Factory made hot-sale Rubber Lined Carbon Steel...
-
OEM/ODM China Pipe For Oil And Gas Industry - ...
-
Low price for Hose Pipe Making Machine - asme ...
-
Wholesale Precision Machining - Grinding Media...
-
OEM manufacturer Fiberglass Pipe Fences - 3000...
-
Best quality Astm A53 A106gr.b Seamless Steel P...
