Quick Details
- Size: 1/2"-60"
- Material: Stainless Steel
- Standard: ANSI
- Place of Origin: Hebei, China (Mainland)
- Model Number: Welding Neck
- Brand Name: TM
- Standard or Nonstandard: Standard
- item: standard stainless steel flange
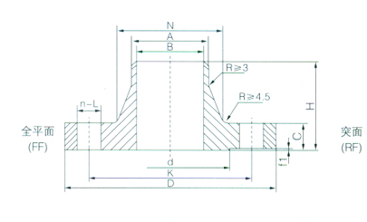
- Type: Welding neck flange(WN)
- Surface: Natual and brightness
- Pressure: 150lb,300lb,600lb,900lb,1500lb
- material: stainless steel
- standard: ANSI
- Processing: Forging
- Heat Treatment: Normalizing, Annealing, Quenching+Tempering
- Packing: Poly-wooden case or Pallet
- Payment: L/C ,T/T,Western Union
Packaging & Delivery
| Packaging Details | standard stainless steel flange: In ply-wooden case or pallet with PE film. |
|---|
standard stainless steel flange

Product Description



|
Type |
Welding Neck (WN) |
|
Standard |
ANSI B16.5 ASME B16.47 SERIES A(MSS SP44) ASME B16.47 SERIES B(API605) |
|
Pressure |
ANSI B16.5: Class 150, 300, 600, 900, 1200 1500 2500 ASME B16.47 SERIES A(MSS SP44): Class 150, 300, 600, 900 ASME B16.47 SERIES B(API605): Class 75, 150, 300, 600, 900 |
|
Wall thickness |
STD, SCH40, XS,SCH80,SCH120,SCH160,XXS |
|
Size |
ANSI B16.5 1/2”-24” ASME B16.47 SERIES A(MSS SP44): 26”—60” ASME B16.47 SERIES B(API605): 26”—60” |
|
Material |
Carbon steel : ASTM A105,ASTM 694 F52, ASTM A350 LF1. LF2, CL1/CL2, A234, S235JRG2, P245GH P250GH, P280GHM 16MN, 20MN ,20# |
|
Stainless steel: ASTM A182 F304/304L F316/316L |
|
|
Processing |
Forging |
|
Surface |
Rust-preventative oil, Black Painted, Yellow paint. |
Prouduct Pictures























